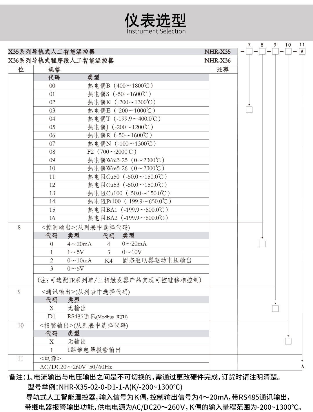
NHR-X35/X36系列導軌式人工智能/程序段PID溫控器
虹潤公司是專業生產溫控器的國家專精特新“小巨人”企業。生產的導軌式人工智能溫控器,具有真正人工智能算式,無需人工整定參數,控制精度可達±0.1°C,高抗干擾,帶485通訊輸出等特點。產品獲得人工智能調節器、智能化控制器、模糊PID控制儀及控制方法、移相觸發控制器、閥門自動手動無擾動操作控制方法及裝置等5項國家發明專利,主持起草智能溫度儀表通用技術條件、工業過程控制系統用模擬輸入兩位或多位輸出儀表、工業過程測量和控制系統用智能調節器等3項國家標準,以及通信系統多通道數據采集控制終端規范軍用標準,參與國際5G標準制定,取得導軌式人工智能控制器等3項相關軟件著作權。產品廣泛應用于電力、石化,冶金、制藥、食品等幾乎所有工業現場,實現精準控溫,保障生產安全與質量。












