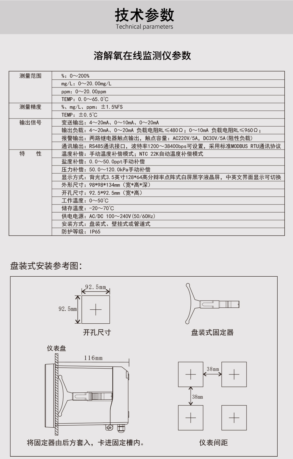
OHR-DO10A系列溶解氧在線監測儀
虹潤公司是專業生產水質分析儀的國家專精特新“小巨人”企業。生產的溶解氧在線監測儀,具有多元化安裝方式,IP65防護等級,多種類型輸出,測量精準穩定不跳字,變送輸出精準等特點。產品獲得一種高精度在線溶解氧測量儀表、智能化控制器等2項國家發明專利;主持起草現場設備集成等5項智能制造國家標準,以及現場設備工具(FDT)接口規范、工業過程控制系統用模擬輸入兩位或多位輸出儀表、過程分析技術系統、液體熒光氧分析儀的性能表示等4項國家標準;參與國際5G標準制定,取得溶解氧測量儀表等2項相關軟件著作權。產品廣泛應用于實驗室、水處理、環境監測、食品、制藥、農業等諸多領域。














